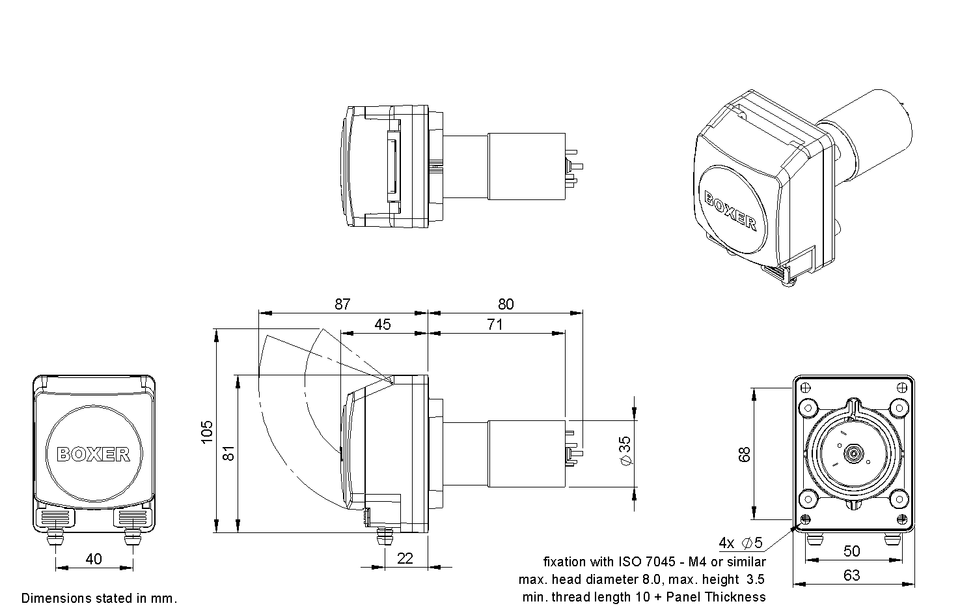
15KU Series
The 15KU series is a derivative of the popular 15KS series of peristaltic pumps. Unlike the 15KS, the 15KU uses tube sets rather than continuous tube. The series is designed accurate dispensing of liquids for wide ranging applications. It is suitable for 1.6, 2.4, 3.2 or 4.8 mm ID tubing, with an option of dual channel for 1.6 and 2.4 mm tubing.
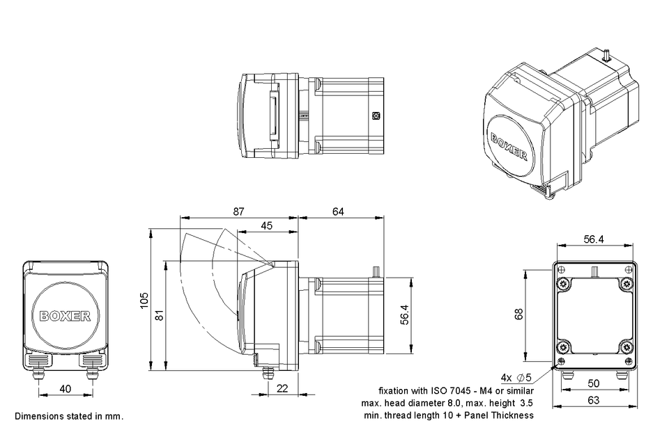
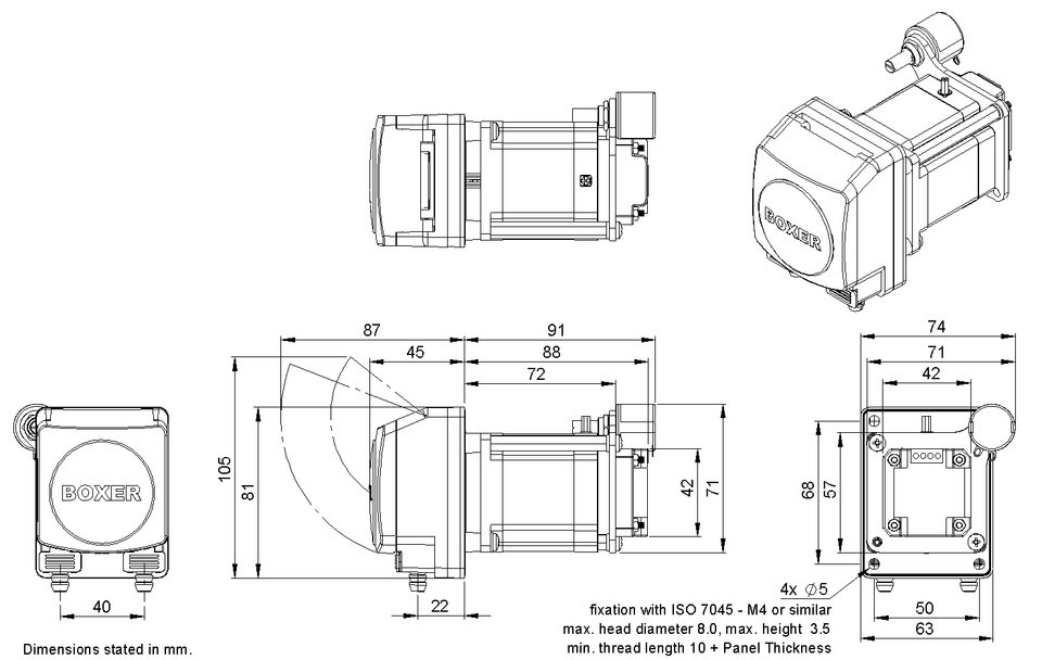
The series is available with DC / Gear motor (6 to 12 V DC or 12 to 24 V DC with gearing offering speeds ranging from 20 to 400 rpm) or 24 V Nema 23 stepper motor (with options for pre-assembled drivers). Both motor versions have options for encoders to enable precise control of flow via closed loop feedback control.
› Flow rates to 690 ml/min
› 1.6, 2.4, 3.2 and 4.8 mm ID tube sets
› Dual channel available for 1.6 and 2.4 mm tube sets
› 3, 4 or 6 roller configurations
› Choice of DC / Gear or Stepper motor drive
› DC / Gear motor available with high definition dual channel encoder (detecting both speed and direction)
› Stepper motor available with speed sensor and with 3 different pre-assembled drivers
Tube set must always be ordered separately.
The 15KU is available with as flip-top version under the series 15KS.
Flow control of the DC / Gear motor versions is available in combination with PWM Flow Controller.
Flow per Revolution | |
ID Ø 1.6 - single | 0.20 / 0.17 / 0.12 ml per revolution (3 / 4 / 6 roller) |
ID Ø 1.6 - double | 0.40 / 0.35 / 0.25 ml per revolution (3 / 4 / 6 roller) |
ID Ø 2.4 - single | 0.41 / 0.37 / 0.26 ml per revolution (3 / 4 / 6 roller) |
ID Ø 2.4 - double | 0.82 / 0.75 / 0.52 ml per revolution (3 / 4 / 6 roller) |
ID Ø 3.2 mm - single | 0.62 / 0.57 / 0.39 ml per revolution (3 / 4 / 6 roller) |
ID Ø 4.8 mm - single | 1.25 / 1.02 / 0.54 ml per revolution (3 / 4 / 6 roller) |
Flow range per Motor / Gear | |
12 V 40 rpm | 2.0 to 43.8 ml/min |
12 V 312 rpm | 16.0 to 331.0 ml/min |
12 V 437 rpm | 20.0 to 438 ml/min |
24 V 80 rpm | 4.2 to 93.8 ml/min |
24 V 312 rpm | 17.0 to 338.9 ml/min |
24 V 420 rpm | 23.0 to 488.0 ml/min |
General Data | |
Power consumption | 0.4 to 11.5 W |
Motor Type | Brushed DC motor with planetary gear |
Max pressure | 2.0 bar |
Max suction height | 9.0 m H20 |
Weight | 455 / 430 g (40, 80 / 312, 420, 437 rpm) |
Optional sensors | Dual channel motor encoder for speed and direction information |
Full data available in PDF datasheet |


Available, shipping in 1 - 2 days
Available, shipping in 1 - 2 days
Available, shipping in 1 - 2 days
Available, shipping in 1 - 2 days
Available, shipping in 1 - 2 days
Available, shipping in 1 - 2 days
Accessories
Available, shipping in 1 - 2 days
Available, shipping in 1 - 2 days
Available, shipping in 1 - 2 days
Available, shipping in 1 - 2 days
Available, shipping in 1 - 2 days
Available, shipping in 1 - 2 days


Available, shipping in 1 - 2 days
Available, shipping in 1 - 2 days
Available, shipping in 1 - 2 days
Available, shipping in 1 - 2 days
Available, shipping in 1 - 2 days
Available, shipping in 1 - 2 days
Accessories
Available, shipping in 1 - 2 days
Available, shipping in 1 - 2 days
Available, shipping in 1 - 2 days
Available, shipping in 1 - 2 days
Available, shipping in 1 - 2 days
Available, shipping in 1 - 2 days
Flow per Revolution | |
ID Ø 1.6 - single | 0.20 / 0.17 / 0.12 ml per revolution (3 / 4 / 6 roller) |
ID Ø 1.6 - double | 0.40 / 0.35 / 0.25 ml per revolution (3 / 4 / 6 roller) |
ID Ø 2.4 - single | 0.41 / 0.37 / 0.26 ml per revolution (3 / 4 / 6 roller) |
ID Ø 2.4 - double | 0.82 / 0.75 / 0.52 ml per revolution (3 / 4 / 6 roller) |
ID Ø 3.2 mm - single | 0.62 / 0.57 / 0.39 ml per revolution (3 / 4 / 6 roller) |
ID Ø 4.8 mm - single | 1.25 / 1.02 / 0.54 ml per revolution (3 / 4 / 6 roller) |
Flow at 400 rpm | |
ID Ø 1.6 - single | 80 / 70 / 50 ml/min (3 / 4 / 6 roller) |
ID Ø 1.6 - double | 160 / 140 / 100 ml/min (3 / 4 / 6 roller) |
ID Ø 2.4 - single | 165 / 150 / 105 ml/min (3 / 4 / 6 roller) |
ID Ø 2.4 - double | 330 / 300 / 210 ml/min (3 / 4 / 6 roller) |
ID Ø 3.2 mm - single | 250 / 230 / 155 ml/min (3 / 4 / 6 roller) |
ID Ø 4.8 mm - single | 500 / 410 / 215 ml/min (3 / 4 / 6 roller) |
General Data | |
Power consumption (including A4 driver) | 12 to 25 W |
Recommended driver | 4.0 A, limited to 2.8 A |
Max pressure | 2.0 bar |
Max suction height | 9.0 m H20 |
Weight (without driver) | 855 g |
Optional sensors | Speed sensor |
Optional drivers | Analogue driver, analogue driver with speed potentiometer, digital / programmable driver |
Full data available in PDF datasheet |


Available, shipping in 1 - 2 days
Available, shipping in 1 - 2 days
Available, shipping in 1 - 2 days
Available, shipping in 1 - 2 days
Available, shipping in 1 - 2 days
Available, shipping in 1 - 2 days
Accessories
Available, shipping in 1 - 2 days
Available, shipping in 1 - 2 days
Available, shipping in 1 - 2 days
Available, shipping in 1 - 2 days
Available, shipping in 1 - 2 days
Available, shipping in 1 - 2 days


Available, shipping in 1 - 2 days
Available, shipping in 1 - 2 days
Available, shipping in 1 - 2 days
Available, shipping in 1 - 2 days
Available, shipping in 1 - 2 days
Available, shipping in 1 - 2 days
Accessories
Available, shipping in 1 - 2 days
Available, shipping in 1 - 2 days
Available, shipping in 1 - 2 days
Available, shipping in 1 - 2 days
Available, shipping in 1 - 2 days
Available, shipping in 1 - 2 days
Available, shipping in 1 - 2 days


Available, shipping in 1 - 2 days
Available, shipping in 1 - 2 days
Available, shipping in 1 - 2 days
Available, shipping in 1 - 2 days
Available, shipping in 1 - 2 days
Available, shipping in 1 - 2 days
Accessories
Available, shipping in 1 - 2 days
Available, shipping in 1 - 2 days
Available, shipping in 1 - 2 days
Available, shipping in 1 - 2 days
Available, shipping in 1 - 2 days
Available, shipping in 1 - 2 days
Available, shipping in 1 - 2 days


Available, shipping in 1 - 2 days
Available, shipping in 1 - 2 days
Available, shipping in 1 - 2 days
Available, shipping in 1 - 2 days
Available, shipping in 1 - 2 days
Available, shipping in 1 - 2 days
Accessories
Available, shipping in 1 - 2 days
Available, shipping in 1 - 2 days
Available, shipping in 1 - 2 days
Available, shipping in 1 - 2 days
Available, shipping in 1 - 2 days
Available, shipping in 1 - 2 days