9K Series
The 9K series is a unique, cost effective and extremely versatile miniature peristaltic pump range designed for accurate dispensing of liquids.
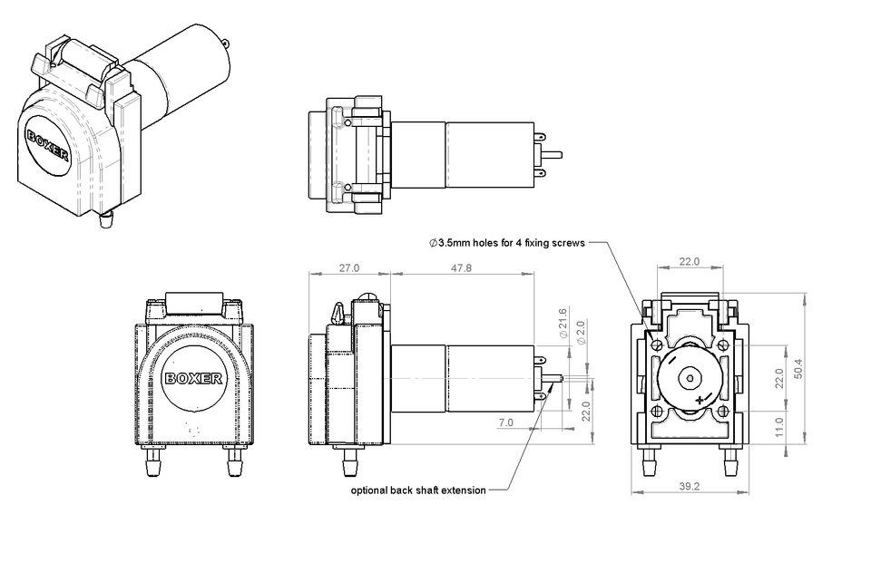
DC / Gear motor versions offer a range of 33 to 520 rpm with optional shaft encoder providing accurate feedback of rotor speed.
Stepper motor versions offer the versatility of finite speed control. 3 supporting driver options are vailable.
› Flow rates from 1.4 ml/min (or lower using stepper motor) to 200 ml/min
› Continuous tube or tube sets
› Easy tube change
› 4 different tube sizes
› 4 different tube materials
› 2 channels available for 1 mm tubes
› 3 different roller configurations
Tubing / tube clips must always be ordered separately.
The 9K precedes the 9QQ series. For new applications refer to 9QQ.
Flow control of the DC / Gear motor versions is available in combination with PWM Flow Controller.
Flow Data | |
ID Ø 1.0 mm tube | 48 / 45 / 35 µl per revolution (3 / 4 / 6 Roller) |
ID Ø 2.0 mm tube | 160 / 148 / 106 µl per revolution (3 / 4 / 6 Roller) |
ID Ø 3.0 mm tube | 345 / 295 / 173 µl per revolution (3 / 4 / 6 Roller) |
ID Ø 3.5 mm tube | 381 / 325 / 191 µl per revolution (3 / 4 / 6 Roller) |
RPM (at nominal voltage) | |
12 V | 116 / 315 / 520 |
24 V | 33 / 107 / 315 / 520 |
Power Consumption | 3.5 to 9.5 W |
Tube Materials | Pharm-a-line / Silicone / Lagoprene / ED-Plex |
Tube Connectors | |
ID Ø 1.0 mm tube (internal) | 1.5 to 2.0 mm* (external) |
ID Ø 2.0 mm tube (internal) | 2.0 to 2.5 mm* (external) |
ID Ø 3.0 mm tube (internal) | 3.0 to 3.5 mm* (external) |
ID Ø 3.5 mm tube (internal) | 3.0 to 3.5 mm* (external) |
*depends on tube material being used | |
Further information ⇒ Accessories | |
Max pressure | 1 bar |
Max vacuum | -950 mbar |
DC motor life | >2000 hour |
Weight | 125 g |
Optional encoder | 10 pulses per motor revolution (associated rotor speed depends in gear ratio) |
All data measured with 'run-in' Pharm-a-line continuous tubing and H2O. |

Available, shipping in 1 - 2 days
Accessories
Available, shipping in 1 - 2 days
Available, shipping in 1 - 2 days
Available, shipping in 1 - 2 days
Available, shipping in 1 - 2 days
Available, shipping in 1 - 2 days
Available, shipping in 1 - 2 days
Available, shipping in 1 - 2 days
Available, shipping in 1 - 2 days
Available, shipping in 1 - 2 days
Available, shipping in 1 - 2 days
Flow Data | |
ID Ø 1.0 mm tube | 48 / 45 / 35 µl per revolution (3 / 4 / 6 Roller) |
ID Ø 2.0 mm tube | 160 / 148 / 106 µl per revolution (3 / 4 / 6 Roller) |
ID Ø 3.0 mm tube | 345 / 295 / 173 µl per revolution (3 / 4 / 6 Roller) |
ID Ø 3.5 mm tube | 381 / 325 / 191 µl per revolution (3 / 4 / 6 Roller) |
RPM | 0 to 500 rpm |
(higher speeds possible depending upon tube material, tube ID, number of rollers and driving method) | |
Tube Materials | Pharm-a-line / Silicone / Lagoprene / ED-Plex |
Tube Connectors | |
ID Ø 1.0 mm tube (internal) | 1.5 to 2.0 mm* (external) |
ID Ø 2.0 mm tube (internal) | 2.0 to 2.5 mm* (external) |
ID Ø 3.0 mm tube (internal) | 3.0 to 3.5 mm* (external) |
ID Ø 3.5 mm tube (internal) | 3.0 to 3.5 mm* (external) |
*depends on tube material being used | |
Further information ⇒ Accessories | |
Max pressure | 1 bar |
Max vacuum | -950 mbar |
Motor life | >10000 hour |
Weight | 230 g |
All data measured with 'run-in' Pharm-a-line continuous tubing and H2O. |

Available, shipping in 1 - 2 days
Available, shipping in 1 - 2 days
Accessories
Available, shipping in 1 - 2 days
Available, shipping in 1 - 2 days
Available, shipping in 1 - 2 days
Available, shipping in 1 - 2 days
Available, shipping in 1 - 2 days
Available, shipping in 1 - 2 days
Available, shipping in 1 - 2 days
Available, shipping in 1 - 2 days
Available, shipping in 1 - 2 days
Available, shipping in 1 - 2 days